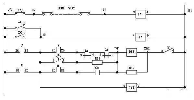
1、原理图

2、原理说明
门锁JMS:
在每道厅门和轿门上都设有门电气联锁触点,只有当全部门关闭好后,所有门电气联锁联点闭合,门锁继电器JMS吸合,电梯才能运行。
检修JM:
在轿内和轿内都装有检修开关,检修开关拨至检修位时,检修继电器JM吸合,电梯处于检修状态。
抱闸线圈:DZZ
在下列四种状态下,抱闸线圈得电,制动器打开:
(1)快车上行,即S↑、K↑。
(2)快车下行,即X↑,K↑。
(3)慢车上行,即S↑,M↑。
(4)慢车下行,即X↑、M↑。
电梯开始运行时,因为1A、2A仍未吸合,它们的常闭触点把RZ1短路,所以DZZ得以110V直流电压,电梯启动后经过一段时间延时,1A吸合,使电阻 RZ1串联到DZZ线圈中,DZZ两端电压下降至70V左右,称为维持电压。电容C8的作用是为了DZZ从110V电压降至维持电压时有一个过渡的过程, 防止DZZ电压的瞬变而引起误动作。电阻RZ2构成DZZ的放电回路。
为了防止电梯从快车K转换到慢车M时,DZZ有一个断电的瞬间,所以放入JK延时继电器,从而保证了制动器不会发生两次动作。
运行继电器JYT:
当电梯上行接触器S或下行接触器X吸合时,运行继电器JYT吸合,表示电梯在运行之中。
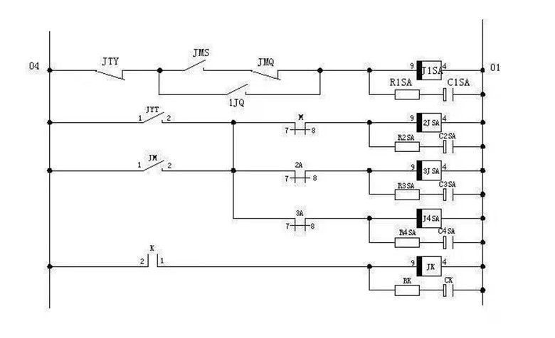
加速与减速延时继电器
1、原理图

2、原理说明:
当司机按下方向按钮启动关门时,通过JYT、1JQ,使J1SA吸合,则时通过R1SA给电容C1SA充电,当电梯开始运行时,JYT↓,J1SA并未立 即释放,C1SA通过R1SA对J1SA放电,使J1SA仍吸合一段时间,所以J1SA是延时释放继电器。当J1SA释放时,一级加速接触器1A吸合,电 梯经过降压启动到一级加速后进入稳速快车状态(参看运行回路)。
电梯在快车运行状态时,J2SA、J3SA、J4SA都处于吸合状态,一旦转入慢车,M↑→J2SA延时释放→2A↑→J3SA延时释放→3A↑→J4SA延时释放→4A↑,形成1级、2级、3级减速。
在快车转慢车时,JK也延时延放。
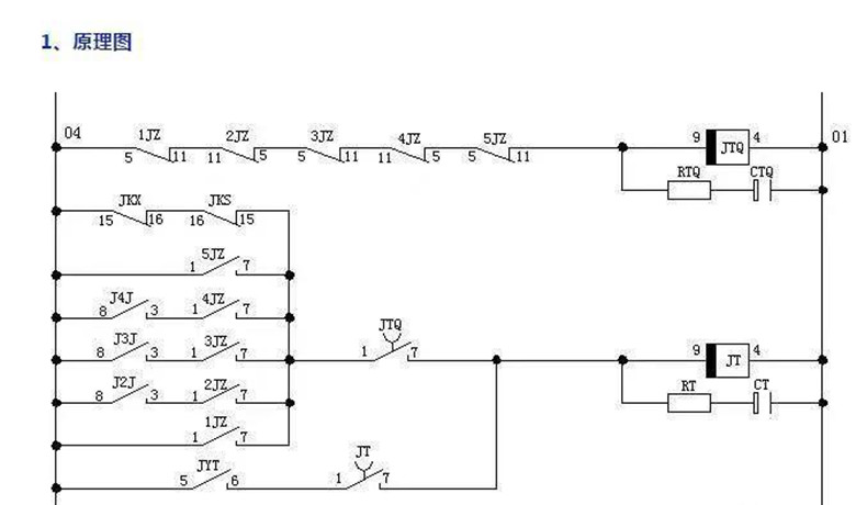
停站触发与停站回路
1、原理图

2、原理说明
假如电梯从1楼驶往4楼。J4J吸合。
电梯向上行驶,当隔磁铁板插入4楼感应器中时,4JZ吸合,停站触发继电器JTQ延时释放。
通过J4J、4JZ、JTQ延时断开触点(1、7),接通停站继电器JT,电梯进入减速停站。
停站触发继电器JTQ的延时时间较好在0.1秒以下,它的作用是为了保证电梯到达某楼层后,不再响应该楼层发出的停车指令。比如你在电梯在开往四楼中,途 经3楼时再输入3楼指令,电梯将只记忆该3楼指令,而不应答停车。如果JTQ的延时时间过长,则有可能答应这个停车指令,而此时减速距离已不够,会引起冲 层的现象。
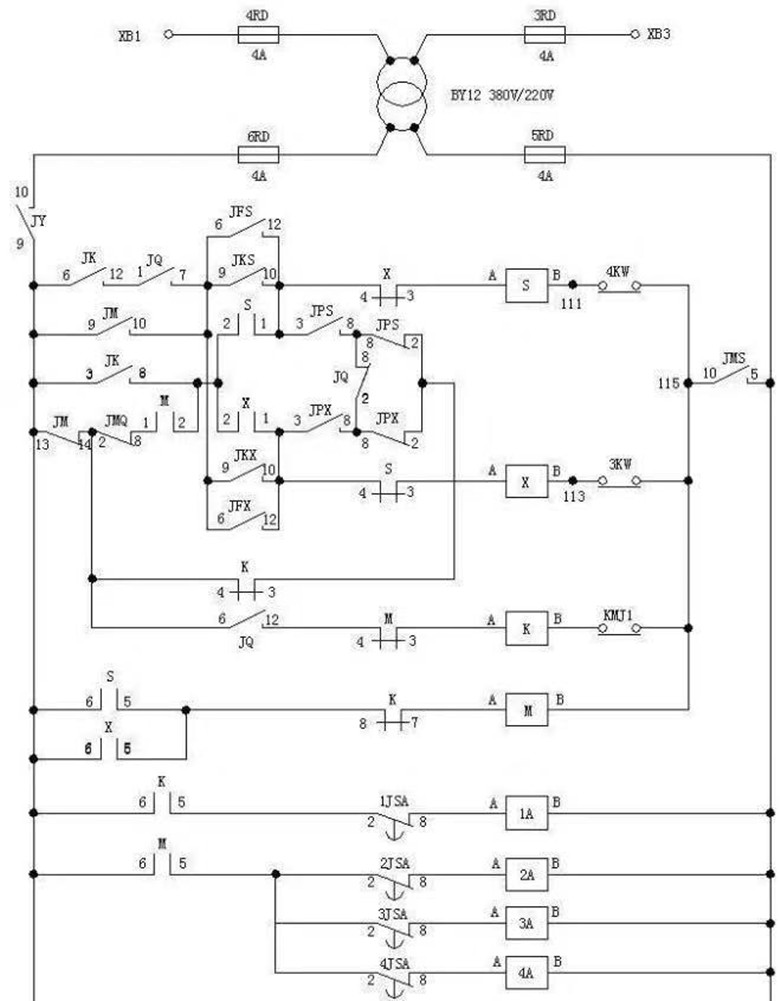
运行、减速、平层
1、原理图

2、原理说明
快车上行:JQ吸合,使快车接触器K吸合,(回路1)快车延时继电器JK吸合,通过已定的方向JKS,使向上运行接触器S吸合,因为此时1A仍未吸合,所以电梯快车降压启动,经过延时,1A吸合,电梯加速,此后达到快车稳速向上运行。
减速:运行到目的层时,JQ释放,K释放,M吸合。在K释放后,S通过(回路2)JK(3、8)--S(1、2)--X(3、4)继续保持吸合,电梯以慢车向上运行,并通过2A、3A、4A的逐级吸合,进行三级减速制动,此后进入慢车稳速运行。
当JK释放后,S通过(回路3)JM(13、14)--JMQ(2、8)--M(1、2)--S(1、2)继续自保。
平层:电梯继续慢速上行,上平层感应器率先插入楼层隔磁铁板,这时S可以通过(回路4)JPS(3、8)--JQ(2、8)--JPX(2、8),K(3、4)--JM(13、14)吸合,电梯再上升到门区感应器插入时,回路3断开,S只通过回路4吸合,当下平层感应器插入时,电梯正好平层,回路4断开,S释放,M释放,电梯停止运行。
显示回路
1、楼层及方向显示原理图

2、指令及召唤信号显示

转载电梯服务管家公众号文章

为更好地搭建摩登7与高校毕业生之间良性互动的平台,招才引智,深圳市三水区政府新增认定摩登7为三水区?高校毕业生就业实习基地之一。
2020-09-18